Keywords
|
| LFO, SSSC, PSS, FACTS, TCSR. |
INTRODUCTION
|
| A large power system has many interconnections and bulk power transmissions over long distance. Due to this there low frequency inter area oscillations which make system vulnerable to cascading failures. Many different methods have been proposed to alleviate the oscillations in the power system. For many years, power system stabilizer (PSS) has been one of the traditionally devices used to damp out the oscillations [2]- [3]. It is reported that during some operating conditions, PSS may not mitigate the oscillations effectively; hence, other effective alternatives are required in addition to PSSs [4].On the other hand, the advent of flexible ac transmission system (FACTS) devices has led to a new and more versatile approach to control the power system in a desired way [1]. FACTS controllers provide a set of interesting capabilities such as power flow control, reactive power compensation, voltage regulation, damping of oscillations, and so forth [5]-[12]. The static synchronous series compensator (SSSC) is one of the series FACTS devices based on a solid-state voltage source inverter which generates a controllable ac voltage in quadrature with the line current [13]. By this way, the SSSC emulates as an inductive or capacitive reactance and hence controls the power flow in the transmission lines. If the line voltage is in phase quadrature with the line current, the series controller absorbs or produces reactive power, while if it is not, the controllers absorbs or produces real and reactive power. Examples of such controllers are Static Synchronous Series Compensator (SSSC), Thyristor-Switched Series Capacitor (TSSC), Thyristor-Controlled Series Reactor (TCSR), to cite a few. They can be effectively used to control current and power flow in the system and to damp systems oscillations. Among these Static Synchronous Series Compensator (SSSC) is one of the important series FACTS devices. SSSC is a solid-state voltage source inverter, injects an almost sinusoidal voltage, of variable magnitude in series with the transmission line. The injected voltage is almost in quadrature with the line current. A small part of the injected voltage, which is in phase with the line current, provides the losses in the inverter. The applications of the SSSC are 1) To control the power flow 2) To increase the power transfer limits 3). To improve the transient stability 4) To dampen power system oscillations 5) To dampen Sub- Synchronous Resonance (SSR). Ever increase in demand of electricity push the power system planners to deliver the effective power by existing network at its maximum usable capacity. Flexible AC Transmission System (FACTS) device opens up new area for planners to control the power flow through a transmission line to enhance its usable capacity [1] & [2]. The objective of this paper is |
| ïÃâÃâ This paper presents the concept of FACTS and the SSSC device for damping of power oscillations |
| ïÃâÃâ SSSC-compensator device can provide a fully controllable series injected (Buck/Boost) compensating voltage over an identical specified capacitive and inductive range, independently of the magnitude of the transmission line current. In addition to series reactive/capacitive compensation using an external dc sustained power supply, it can also compensate for any feeder voltage drop across the inductive component of the transmission line impedance. |
| ïÃâÃâ This paper studies how the SSSC controller acts during fault condition in a Kundur System and damping action provided by it. |
FACTS TECHNOLOGY
|
| The FACTS technology is a collection of controllers, which can be applied individually or in coordination with others to control one or more of the interrelated system parameters, such as series impedance, shunt impedance, current, voltage, and damping of oscillations. |
Fig1: AC power flow control of a transmission line (a) simple two machine system; (b) current flow perpendicular to the driving voltage; (c) active and reactive power flow phase diagram ; (d) power angle curves for different value of X. |
| Flexible AC Transmission System (FACTS) is a new integrated concept based on power electronic switching converters and dynamic controllers to enhance the system utilization and power transfer capacity as well as the stability, security, reliability and power quality of AC system interconnections. Basic types of facts controllers are [14] |
• Series controllers:
|
| The series controller could be variable impedance or a variable source both are power electronics based. In principle, all series controllers inject voltage in series with the line. |
• Shunt controllers:
|
| The shunt controllers may be variable impedance connected to the line voltage causes a variable current flow hence represents injection of current into the line. |
• Combined series-series controllers:
|
| The combination could be separate series controllers or unified series-series controller--- Interline Power Flow Controller. |
• Combined series-shunt controllers:
|
| The combination could be separated series and shunt controllers or a unified power flow controller. |
| For a given MVA size, the series controller is several times more powerful than the shunt controller in application of controlling the power/current flow. Drawing from or injecting current into the line, the shunt controller is a good way to control voltage at and around the point of connection. The shunt controller serves the bus node independently of the individual lines connected to the bus. Series connected controllers have to be designed to ride through contingency and dynamic overloads, and ride through or bypass short circuit currents. A combination of series and shunt controllers can provide the best of effective power/current flow and line voltage. FACTS controllers may be based on thyristor devices with no gate turn-off or with power devices with gate turn-off capability. The principle controllers are based on the dc to ac converters with bidirectional power flow capability. Energy storage systems are needed when active power is involved in the power flow. Battery, capacitor, superconducting magnet, or any other source of energy can be added in parallel through an electronic interface to replenish the converter’s dc storage. A controller with storage is more effective for controlling the system dynamics. A converter-based controller can be designed with high pulse order or pulse width modulation to reduce the low order harmonic generation to a very low level. A converter can be designed to generate the correct waveform in order to act as an active filter. A converter can also be controlled and operated in a way that it balances the unbalanced voltages, involving transfer of energy between phases. A converter can do all of these beneficial things simultaneously I the converter is so designed. |
| A. Brief Description and Definition of FACTS Controllers |
| 1) Objective Series Controllers |
| If the line voltage is in phase quadrature with the line current, the series controller absorbs or produces reactive power, while if it is not, the controllers absorbs or produces real and reactive power. Examples of such controllers are Static Synchronous Series Compensator (SSSC), Thyristor-Switched Series Capacitor (TSSC), Thyristor-Controlled Series Reactor (TCSR), to cite a few. They can be effectively used to control current and power flow in the system and to damp system s oscillations. Among these Static Synchronous Series Compensator (SSSC) is one of the important series FACTS devices. SSSC is a solid-state voltage source inverter, injects an almost sinusoidal voltage, of variable magnitude in series with the transmission line. The injected voltage is almost in quadrature with the line current. A small part of the injected voltage, which is in phase with the line current, provides the losses in the inverter. The applications of the SSSC are: |
| ïÃâÃâ Power Flow Control- If the oscillatory response of a power system during the transient period following a disturbance is damped and the system settles in a finite time to a new steady operating condition, we say the system is stable. Inability of a system to settle in a finite time is considered unstable. This primitive definition of stability requires that the system oscillations should be damped. This condition is sometimes called asymptotic stability. To stabilize the system, PSS and AVR are used. There are three different types of power system stability. |
| Steady State Stability: In this studies are restricted to small and gradual changes in the system operating conditions. We also ensure that phase angles between two buses are not too large and check for the overloading of the power equipment and transmission lines. |
| Transient Stability: The objective of the transient stability study is to ascertain whether the load angle returns to a steady value following the clearance of the disturbance. |
| Dynamic Stability: The ability of a power system to maintain stability under continuous small disturbances is investigated under the name of Dynamic Stability (also known as small-signal stability). |
| Power system compensation: Reactive power is either generated or consumed in almost every component of the system, generation, transmission, and distribution and eventually by the loads. Reactance can be either inductive or capacitive, which contribute to reactive power in the circuit. This reactive power needs to compensate in order for the system to work effectively. |
| Types of compensation: There are two types of compensation |
| i) Shunt compensation: Here a compensating device is connected to the system in parallel. |
| ii) Series compensation: Here a compensating device is connected to the system in series. The compensating device is usually a capacitive reactance as most of the loads are lagging reactance. |
| ïÃâÃâ Series Compensation- Shunt compensation is ineffective in controlling actual power transmitted which at a defined voltage is ultimately determined by series line impedance and the angle between the two end voltages of the line.AC power transmitted over long transmission line is primarily limited by the series impedance reactance of the line. Variable series compensation is highly effective in controlling both power flow in line and improving stability. Series compensation can be applied to achieve full utilization of transmission assets by controlling the power flow in the lines, preventing loop flows within and with use of fast controls, minimizing the effect of system disturbances thereby reducing traditional stability margin requirements. |
| ïÃâÃâ Voltage Regulation of Long Transmission System |
| ïÃâÃâ Economic Operation |
| ïÃâÃâ Voltage Stability Enhancement |
| 2. Objective of the Shunt Controllers |
| Shunt controllers are similar to the series controllers with the difference being that they inject current into the system at the point where they are connected. Variable shunt impedance connected to a line causes a variable current flow by injecting a current into the system. If the injected current is in phase quadrature with the line voltage, the controller adjusts reactive power while if the current is not in phase quadrature, the controller adjusts real power. Examples of such systems are Static Synchronous Generator (SSG), Static Var Compensator (SVC). They can be used as a good way to control the voltage in and around the point of connection by injecting active or reactive current into the system. |
| 3. Objective of the Combined Series-Series Controllers |
| A combined series-series controller may have two configurations. One configuration consists of series controllers operating in a coordinated manner in a multiline transmission system. The other configuration provides independent reactive power control for each line of a multiline transmission system and, at the same time, facilitates real power transfer through the power link. An example of this type of controller is the Interline Power Flow Controller (IPFC), which helps in balancing both the real and reactive power flows on the lines. |
| 4. Objective of Combined Series-Shunt Controllers |
| A combined series-shunt controller may have two configurations, one being two separate series and shunt controllers that operate in a coordinated manner and the other one being interconnected series and shunt components. In each configuration, the shunt component injects a current into the system while the series component injects a series voltage. When these two elements are unified, a real power can be exchanged between them via the power link. Examples of such controllers are UPFC and Thyristor-Controlled Phase-Shifting Transformer (TCPST). These make use of the advantages of both series and shunt controllers and, hence, facilitate effective and independent power/current flow and line voltage control. |
| Static Synchronous Series Compensator (SSSC) is one of the important series FACTS devices. SSSC is a solid-state Voltage source inverter injects an almost sinusoidal voltage, of variable magnitude in series with the transmission line. The injected voltage is almost in quadrature with the line current. A small part of the injected voltage, which is in phase with the line current, provides the losses in the inverter. Most of the injected voltage, which is in quadrature with the line current, emulates an inductive or a capacitive reactance in series with the transmission line. This emulated variable reactance, inserted by the injected voltage source, influences the electric power flow through the transmission line. |
| A. Operating principle |
| A SSSC operated without an external electric energy source as a series compensator whose output voltage is in quadrature with, and controllable independently of, the line current for the purpose of increasing or decreasing the overall reactive voltage drop across the line and thereby controlling the transmitted active power. The SSSC may include transiently rated energy storage or energy absorbing devices to enhance the dynamic behavior of the power system by additional temporary real power compensation, to increase or decrease momentarily, the overall resistive voltage drop across the line [15]. |
Fig2. The elementary two-machine system with SSSC and associated phasor diagram |
| Where |
| V1 is the voltage magnitude of machine-1. |
| V2 is the voltage magnitude of machine-2. |
| § is the phase difference between these voltages. |
| I is the current flowing from machine-1 to machine-2. |
| VL is the voltage drop across the line impedance. |
| Pq is the active power flowing through the line. |
| Vq is the injected voltage by SSSC. |
Fig3. Block diagram of Static Synchronous Series Compensator |
Fig4.Power System Single Line Diagram |
| The values of P and Q are given by |
 |
| NYQUIST PLOT |
| The plot describes the behavior of power system with and without a compensator. The uncompensated system is highly unstable hence it takes a long time to come back to its stability position, but whereas the compensated system takes less time to reach stability. The bigger oval describes the uncompensated system taking long time to reach stability whereas the smaller one is compensated system reaching stability quickly. |
Fig5.Nyquist plots [16] |
| SSSC is a solid state device which is connected in series with the transmission line. An SSSC is able to generate a voltage which is controlled in quadrature with the current through the connected transmission line. SSSC can emulate a reactance added in series with the connected transmission line [18]-[19]. By modifying the magnitude of the generated voltage, a certain value of the emulated reactance can be obtained. By modifying the phase angle of the generated voltage, this emulated reactance can be inductive if the voltage is leading the line current 90°, or capacitive if the voltage is lagging the line current 90°. |
ANALYSIS OF KUNDUR SYSTEM WITH SSSC
|
| The system contains eleven buses and two areas, connected by a weak tie between bus 7 and 9. Totally two loads are applied to the system at bus 7 and 9. Two shunt capacitors are also connected to bus 7 and 9 as shown in the figure below. The system has the fundamental frequency 60 Hz. The system comprises two similar areas connected by a weak tie. Each area consists of two generators, each having a rating of 900 MVA and 20 kV. |
Fig6. Single line diagram of Kundur's Two-Area System |
| Here we are going to analyze the performance of the SSSC in a Kundur two area test system. First the performance of the test system was observed during a three phase fault without using any compensator connected to the system. Later considering the same system with a SSSC and analyzing the performance. The results of uncompensated and compensated system are compared [17]. |
| A. Performance of the Test system without any compensator connected to the system. |
Fig7. Uncompensated Test system model |
Fig8. Generator parameters, transformer parameters and impedance parameter. |
Fig9. Wave forms of Voltage and current of area-1, Gen- 4. |
Fig10. Waveforms of Gen-1 and Gen-3 parameters. |
Fig11. Complete block diagram of Control Circuit for SSSC. |
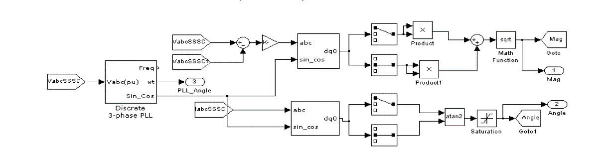
Fig12. Internal Circuit for generating magnitude and angles. |
| B. Performance of the Test system without any compensator connected to the system. |
|
Fig15. Waveforms of Gen-1 and Gen-3 parameters. |
CONCLUSION AND FUTURE SCOPE
|
| During symmetrical fault without SSSC:-In area-2 for gen-4, Voltage decreased from 230kV to 0.5kV, current increased from 900A to 10,000A. Stator current increased from 0.4pu to 5pu, electric power oscillations deviated from +ve 0.2pu to ±ve 1.3pu, reactive power increased from 0.08pu to 2pu peak and also have oscillations. All above indicate very dangerous mode of operation, relay operates and reliability is lost. During symmetrical fault without SSSC:-In area-2 for gen-4, Voltage remained same with230kV, current increased from 900A to 910A. Stator current remained in 0.4pu, electric power oscillations damped to + ve 0.2pu only, reactive power is in 0.08pu. This indicates a safest mode of operation with voltage compensation, system protection and dynamic performance improvement during transient conditions. With proposed SSSC, it can be concluded that it can compensate the voltage mitigation and improve dynamic performance in sensitive area completely and partially in other area, but to complete mitigation of voltage and stability in other area, UPFC can be better alternative. Proposed system improved performance to a great value, still small jerks in parameters are observed, if they can also be eliminated, it can be further said to be much better system. However proposed system is superior compared to older systems in the literature. |
References
|
- P.Kundur, “Power system stability and control” New York: Tata McGraw-Hill, 1994.
- P.M Anderson and A. A. Fouad, “Power System Control and Stability”, Volume- I, Iowa State University Press, Ames, Iowa, 1977.
- Michael J. Basler and Richard C. Schaefer, “Understanding Power System Stability”, IEEE Trans. On Industry Application, Vol. 44, No. 2,March/April-2008, pp 463-474.
- Yuan Yih Hsu and Kan Lee Liou, “Design of PID power system stabilizers for synchronous generators” IEEE Trans., 1987, pp 343-348.
- K.R. Padiyar, “Power System Dynamics: Stability and Control,” Interline Publishing Pvt. Ltd Bangalore, 1996.
- Larsen, E.V, Sanchez-Gasca, J.J, Chow, J.H and “Concepts for Design of FACTS Controllers to Damp Power Swings”, IEEE Trans.PowerSyst,Volume: 10, Issue: 2, pp. 948-956, May 1995.
- El-Moursi, M. S, Bak-Jensen, B, Abdel-Rahman, M. H, “Novel STATCOM Controller for Mitigating SSR and Damping Power SystemOscillations in a Series Compensated Wind Park,” IEEE Trans. Power Delivery. vol. 25, no. 2, pp. 429–441, Feb 2010.
- Taheri,H, Shahabi,S, Taheri, Sh, Gholami, A “Application of Static Synchronous Series Compensator (SSSC) on Enhancement of Voltage Stabilityand Power Oscillation Damping ,” IEEE Conf, pp. 533 – 539, 2009.
- Majumder, R, Pal, B. C, Dufour, C, and Korba, P, “Design and real time implementation of robust FACTS controller for damping inter areaoscillation,” IEEE Trans. Power Syst., vol. 21, no. 2, pp. 809–816, May 2006.
- Varma, R. K, Auddy, S, and Semsedini, Y, “Mitigation of sub synchronous resonance in a series-compensated wind farm using FACTScontrollers,” IEEE Trans. Power Del., vol. 23, no. 3, pp. 1645–1654, Jul. 2008.Copyright to IJAREEIE www.ijareeie.com 5402
- Prasai,A and Divan, D. M, “Zero-energy sag correctors optimizing dynamic voltage restorers for industrial applications,” IEEE Trans. Ind. Appl.,vol. 44, no. 6, pp. 1777–1784, Nov./Dec. 2008.
- Mathur, R.M, and Varma, R.K, “Thyristor-Based FACTS Controllers for Electrical Transmission Systems,” IEEE Press and Wiley Interscience, NewYork, USA, Feb. 2002.
- A. M .Kulkarni, K. R. Padiyar, “Damping of power swings using series FACTS controllers”, International Journal of Electrical Power and EnergySystems, Vol. 21, no. 7, pp. 475-495, Oct. 1999.
- G. N. Pillai, A. Ghosh, A. Joshi, “Torsional interaction studies on a series compensator based on solid-state synchronous voltage source”, IndustrialTechnology 2000, Proceedings of IEEE International Conference on, vol. 2, pp. 179-184, 19-22 Jan. 2000.
- B. Han, S. Moon, J. Park, G. Karady, “Dynamic characteristic analysis of multi-bridge PWM inverter for SSSC”, Power Engineering Society SummerMeeting, 2000 IEEE, vol. 3, pp. 1618-1623, 16-20 Jul. 2000.
- Jang-Ceol So; Sun IL Mooneun P; Jong-WoongChoe, “Design of a robust SSSC supplementary controller to suppress the SSR in the Seriescompensatedsystem”, Power Engineering Society Winter Meeting, 2001 IEEE, vol. 3, pp. 1283-1288, Jan. 2001.
- I. Nagarimoo, “Application of static synchronous series compensator (SSSC) to stabilization of frequency oscillations in an interconnected Powersystem”, Circuits and Systems, 2001 ISCAS. The 2001 IEEE International Symposium on, vol. 3, pp 113-116, May. 2001.
- K. R. Padiyar, N. Prabhu, “Analysis of sub-synchronous resonance with three level twelve-pulse VSC based SSSC”, Tencon 2003. Conference onConvergent Technologies For Asia-Pacific Region, vol. 1, pp. 76-80, Oct. 15-17, 2003.
- S. J. Lee, H. kim, S. K. sul, F. Blaabjerg, “A novel control algorith
|